PLUM C modulis
#500012
€305.07
Īpašības:
- Svars: 0.3 kg
Apraksts:
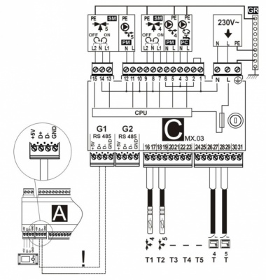
C modulis (MX0.3) papildina ecoMAX800P, P1, P2, ecoMAXX800R2, T2, R3, ecoMAX850, ecoMAX860 u.c. vadības piedāvāto funkciju klāstu. Moduļi nevar darboties kā atsevišķas ierīces. Moduļa un tā funkciju izmantošana ir atkarīga no galvenā vadības moduļa, ar kuru šis modulis ir savienots. Visi moduļa iestatījumi tiek veikti galvenajā vadības modulī.
Pirms pasūtīšanas, lūdzam precizēt katliekārtas vai degļa ražotāju!!!
