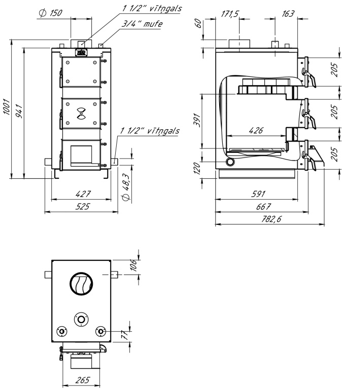
Malkas apkures katls MK-20kw
€1140.00
Īpašības:
- Jauda: 20 kw
- Svars: 170 kg
Apraksts:
Malkas apkures katls MK - 20kw
Ražotājvalsts - Latvija
Tips - Kombinētais (Malkas/Granulu)
Ūdens apkures katli paredzēti ūdens sildīšanai individuālajās mājās apkures vajadzībām ar dabisko vai piespiedu cirkulāciju, sadedzinot malku, akmeņogles, granulas, kūdras un skaidu briketes. Apkures katli ir siltināti ar siltumizolācijas vati, lai neveidotos nevajadzīgi siltuma zudumi.
| Maksimālā jauda | 20 kW |
| Maksimālā ūdens temperatūra | 95 °C |
| Maksimālais darba spiediens | 2,5 bar |
| Apsildāmo telpu platība | 180 m² |
| Svars | 170 kg |
| Malkas garums | 40 cm |
| Ūdens tilpums katlā | 70 l |

